- Dynamoomdrejningstal: ca. 800 o/min
- Turbinetype: Francis-turbine, turbineomdrejningstal ca. 110 o/min
- Maksimal effekt: 65 kW
- Maksimal døgnproduktion: ca. 1.200 kWh (1,2 MWh)
- Typisk døgnproduktion: 800 kWh
- Årsproduktion (2007): 323.000 kWh
- Faldhøjde (maks.): ca. 3,30 m
- Vandforbrug (ved maksimal effekt): 3–4 m³/sek.
- Spalteåbning i rist før og efter værk: 1 cm
Teknisk beskrivelse af Bindslev Gl. Elværk
Bindslev Gl. Elværk er beliggende hvor Uggerby å vest for Bindslev har en naturlig slyngning. Ved hjælp af en dæmning er der opnået en faldhøjde på ca. 3 m. Åens vandføring deles i to grene: en gren til elværket og en gren til dæmningen. Hovedparten af åens vandføring ledes over dæmningen, som omfatter en fisketrappe, så fiskene har mulighed for at passere dæmningen.


Vandet
Den vandmængde, som udnyttes i elværket, passeret et finfilter med en spalteåbning på 1 cm før det ledes ind i turbinerummet i den nederste del af bygningen. Finfiltret er forsynet med en renseordning med kamme, der trækker urenheder op over filtret og ned i en skyllekanal, der fører uden om turbinekammeret. Rensefunktionen styres af en computer (se herom senere). Finfiltret blev installeret i forbindelse med værkets renovering i 2004 og blev suppleret med endnu et filter af samme type i 2006 for at mindske belastningen og øge driftsikkerheden.
Foran finfiltrene er der grovriste.

Snittegning af Bindslev Gl. Elværk (finfiltre ej indtegnet, er placeret ved A)

Finfiltre med automatisk renseanordning ved Bindslev Gl. Elværk
Sluseporte
Indenfor finfiltrene er der sluseporte, hvormed man manuelt kan lukke for vandet til turbinen. Billedet nedenfor viser de store tandhjul, der giver den nødvendige udveksling. En frisluse, med selvstændig port muliggør, at vandet kan ledes udenom værket i situationer med ekstrem vandmængde.

Hejseværk for sluseporte ved Bindslev Gl. Elværk
Turbiner
Elværket har to turbiner, men det er kun den største af dem (Turbine II), der er renoveret og bragt i drift. Denne turbine er fra 1947 og er leveret af De Smithske (maskin nr. 230, model 140KS) Turbinen er en Francis-turbine, der er den mest anvendte type på danske vandkraftværker, fordi den har en god virkningsgrad ved små faldhøjder. Den nominelle effekt for denne turbine er 139 HK svarende til ca. 100 kW.


Skovlhjul i turbine II på Bindslev Gl. Elværk
Turbinens rotor (skovlhjul) er anbragt på en lodret aksel og anbragt i et støbejernshus, hvis periferi består af en række klapper, der alle via forbindelsesled er forbundet til en drejelig ring, der ligger omkring huset. Ved at dreje denne ring, kan klappernes åbning og derved turbinens samlede åbningsareal kontrolleres. Ud over, at klapperne således fungerer som et spjæld, hvormed turbinens effekt kan reguleres, fungerer de også som ledeskovle, der giver vandet en gunstig indgangsretning.
Turbineakslen samt reguleringsakslen, der står i forbindelse med ovenomtalte spjældmekanisme, er ført op gennem gulvet til maskinrummet ovenover. Da hele turbinekammeret ligger under vandstanden i åen, er det nødvendigt, at akselgennemføringerne er udført vandtæt.
Den ældste og mindste turbine (Turbine I) vil ikke blive anvendt til elproduktion. Turbinen er koblet til en lodretstillet dynamo via et fladremstræk i stedet for en gearkasse. Turbinen er for nærværende (forår 2008) under renovering med henblik på at blive anvendt til demonstration. Turbinekammeret er blevet tørlagt og der er etableret trappe ned, således at publikum får mulighed for at se selve turbinen. Det er planen at turbine med tilhørende dynamo skal kunne rotere langsomt, idet dynamoen anvendes som motor.

Principtegning af elværket
Gearkasse
Turbineakslen ender i et vinkelgear, der overfører energien fra turbinen til en dobbelt jævnstrømsdynamo. Gearet omsætter turbinens nominelle omdrejningstal på 135 pr. minut til dynamoens nominelle omdrejningstal på 1000 pr. minut. I praksis er dynamoems omdrejningstal i dag omkring 800 pr. minut svarende til et turbineomdrejningstal på ca. 110 pr. minut.

F.L.S. præcisionsgear TDVL-550 på Bindslev Gl. Elværk
Hydraulisk regulator
Reguleringsakslen er i maskinrummet forbundet til den hydrauliske omdrejningsregulator, der har til formål at stabilisere turbinens omdrejningstal. Via et remtræk fra gearkassen modtager regulatoren den nødvendige energi samt mulighed for at registrere omdrejningstallet. Regulatoren indeholder en hydraulikpumpe, en ”vindkedel” til lagring af hydraulisk energi samt en hydraulikcylinder, der med stor kraft kan dreje reguleringsakslen og dermed skrue op og ned for turbinen. Derudover er der en centrifugalregulator, som kan styre en hydraulisk servoventil. Hvis omdrejningstallet stiger, vil centrifugalregulatoren påvirke servoventilen, som vil føre hydrauliktryk til den ene ende af hydraulikcylinderen, der vil regulere turbinen ned. Hvis omdrejningstallet falder vil servoventilen føre tryk til den modsatte ende af cylinderen, og turbinen vil blive reguleret op. I forbindelse med værkets nylige renovering, er omdrejningsregulatoren blevet forsynet med en lille elektrisk servomotor, der muliggør, at omdrejningstallet kan styres af en computer. Servomotoren kan via en gevindspindel ændre længden af en forbindelsesstang fra centrifugalregulatoren til servoventilen. I denne stangforbindelse er tillige indsat en nødstopcylinder indeholdende en forspændt fjeder, som afkorter forbindelsen ca. 4 cm, når den udløses. Nødstop udløses ved at computeren afbryder spændingen til en holdemagnet, hvorefter en fjeder trækker en gaffel ud af nødstopcylinderen. Ved denne metode opnås tillige, at nødstop automatisk vil indtræde, hvis netspændingen til værket forsvinder. Når nødstop indtræder, vil hydraulikregulatoren lukke turbinens spjæld og omdrejningstallet falder til en lav tomgangsværdi.


Holdemagnet med fjeder
Dynamo
Vinkelgearet driver en dobbelt jævnstrømsdynamo på to gange 53 kW nominel effekt. Dynamoens nominelle spænding er plus 220V og minus 220V således at man opnår en yderspænding på 440V. Dynamoens udgangsspænding overvåges af to spændingsrelæer (et for hver udgang) der via hjælperelæer styrer hver sin feltregulator. Feltregulatorerne indeholder en kraftig,variabel modstand og en gearmotor, som drejer armen på den variable modstand. Modstanden sidder i serie med dynamoens feltvikling (statoren). Spændingsregulatoren indeholder interessante konstruktionsdetaljer for at optimere funktionen, f.eks. er spændingsrelæerne ud over den sædvanlige vikling forsynet med en vikling på det bevægelige anker, hvorved opnås en skarpere reaktion (2. potens). De drejelige arme (”børster”) på reguleringsmodstandene har tre udtag for at kompensere for gearmotorens efterløb.

Thomas B. Thrige Dynamo, 2 x 53kW, på Bindslev Gl. Elværk

Thrige Spændingsregulatorer

Thrige Feltregulatorer
Dynamoen er selvmagnetiserende. Ved start er der tilstrækkelig remanent magnetisme i statoren til at dynamoen kan arbejde sig selv op såfremt feltregulatorerne er efterladt i maksimumsstilling (d.v.s. minimum modstand). Først når der er en vis spænding kan gearmotorerne drives.

Dynamofelt/udgangsfelt 2004 (tegning udført af Sigmund Hjerde)

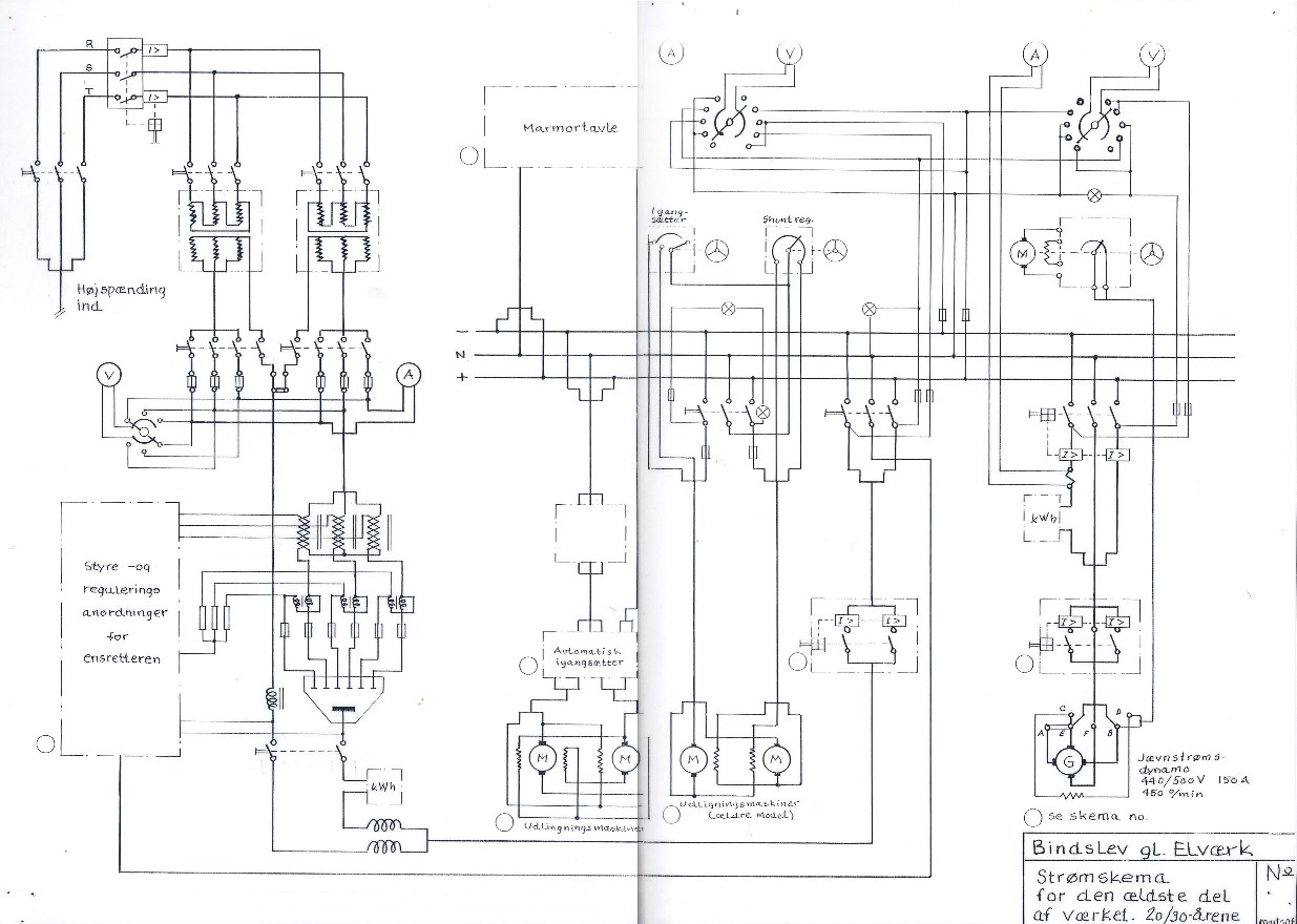
Strømskema for den ældste (ikke aktive) del af værket (tegning udført af Sigmund Hjerde)
Omformer (inverter)
For at den på værket producerede elektricitet kan afleveres til det offentlige forsyningsnet, skal jævnspændingen omformes til 3-faset vekselspænding. Dette foregår i en statisk inverter, der er placeret i et lille hus ca. 200m fra værket. Inverteren benytter IGBT-transistorer som de aktive elementer og indeholder en mikroprocessorbaseret styring og overvågning, der udkobler i tilfælde af over- og underspænding på såvel jævnspændings- som vekselspændingssiden. Inverteren kan overføre en effekt op til 86 kW. Inverteren kan startes og stoppes samt effektreguleres via styreledninger fra værket. Inverteren afleverer 3 x 110 V vekselspænding til en transformator, som optransformerer til 10kV. Transformatoren er placeret i et nabohus til inverteren.

Højspændingstransformator (tv) og omformer (th)
Styring
For at tilsikre en kontinuerlig drift af værket har det været nødvendigt at tilføje en historisk aldeles ukorrekt ting, nemlig en computer til automatisk styring af værket. Computeren er en traditionel Windows-XP baseret PC udstyret med to serielle porte og en netværksport. Den ene serielle port bruges til at kommunikere med inverteren via en RS-232 til RS-485 omsætter. Den anden serielle port er via en RS-232 til RS-485 omsætter forbundet til en RS-485 databus hvorpå er koblet et antal analoge målemoduler til måling af dynamospændinger, omdrejningstal og vandstande foran og bag værket. På samme bus er koblet styremoduler (relæudgange) til intervalstyring af finfiltrets renseanordning (risterensemotor), til styring af servomotor på hydraulikregulator, til styring af lys samt til aktivering af alarmtelefon. Netværksporten kommunikerer med internettet via en switch/router hvortil tillige er koblet et antal overvågningscameraer.

Computerinterface med relæ- og målemoduler koblet på RS-485 databus
Programmet, der varetager styringen af det hele, er et Visual Basic program. Programmet afleverer løbende data til en webserver, der også er installeret på computeren. Derved kan driften overvåges via internettet og – til en vis grad - fjernstyres. Styreprogrammet har indbygget et omfattende sæt af automatiske nødstopbetingelser for at undgå beskadigelser af maskineriet. Skulle programmet gå i stå eller "fryse" vil et watchdogmodul sørge for at nødstop aktiveres.
For at beskytte finfiltrene mod overbelastning ved en eventuel tilstopning overvåger computeren trykfaldet over finfiltret og nedregulerer turbinen såfremt dette når en forudindstillet værdi.

En vigtig funktion ved styreprogrammet er, at vandstanden konstant overvåges og turbineeffekten reguleres, så vandstanden ikke kommer under det tilladelige minimum. Desuden kan programmet automatisk nedsætte turbineeffekten (og derved vandforbruget) om natten for at opfylde kravene til vandføring over fisketrappen.
Jævnstrøm eller vekselstrøm?
Bindslev Gl. Elværk har altid været et jævnstrømsværk og skal fortsætte som sådan ud fra ønsket om at bevare det så historisk korrekt, som praktisk muligt. I forhold til et rent vekselstrømsværk med en asynkrongenerator medfører dette en del ulemper i form af en mere kompliceret opbygning med omdrejnings- og spændingsregulatorer samt inverter til omdannelse af jævnspændingen til vekselspænding. Imidlertid giver det også en fordel derved, at turbinen kan køre med et variabelt omdrejningstal, der er optimalt i forhold til vandmængden, der er til rådighed.
Ensretter
Omkring 1933 havde værket besvær med at opfylde produktionskravene og det blev besluttet at købe hjælpekraft fra Hjørring. Der blev ført en 10kV højspændingslinie frem til værket, hvor der blev installeret 2 stk trefasede transformatorer med en udgangsfasespænding på 600V. Ved hjælp af en trefaset kviksølvensretter blev denne vekselspænding omdannet til 440V jævnspænding (yderspænding), som supplerede turbinernes egen produktion, således at den samlede effekt kunne nå op på 200kW. Ensretteren findes stadigvæk som et helt enestående klenodie, som i dag naturligvis ikke har nogen funktion i værkets drift. Ensretteranlæget, der omfatter selve kviksølvensretteren og et ganske omfattende og kompliceret regulerings- og stabiliseringssystem, er Siemens-Schuckert type VDA 200 Nr. 3299. Anlæget er leveret af R. Andersen og Sønner, Ingeniør og maskinforretning "Grand" Nørre Aaby. Selve ensretterenheden (glaskolben) er en Siemens-Schuckert type VD 250. Ensretteren er beskyttet bag en panserglasrude, fordi den i tilfælde af beskadigelse vil udgøre en fare for omgivelserne. Billederne nedenfor viser Bindslev Gl. Elværks ensretter samt to andre ensrettere af tilsvarende type under drift.

Kviksølvensretter på Bindslev Gl. Elværk

Dette billede af en arbejdende kviksølvensretter er venligst stillet til rådighed af Nick Catford.
Ensretteren findes i et underjordisk beskyttelsesrum i Belsize Park London

Endnu et eksempel på en kviksølvensretter i drift.
Billedet er venligst stillet til rådighed for Bindslev Gl. Elværk af Philippe G. Lopez, Canada
Som det fremgår af billederne er en kviksølvensretter i drift et helt fantastisk blåt og ultraviolet lysshow. Den særprægede facon med den store kuppel bevirker, at kviksølvdampen i den relativt kolde kuppel kan kondensere og dermed forhindre, at damptrykket bliver for højt, hvilket ellers ville give risiko for "bagtænding". Man ser, at kviksølvdråberne tegner striber ned ad glaskolbens inderside.

Betjeningspanel for kviksølvensretteren på Bindslev Gl. Elværk
Udligningssystem
Det elektriske jævnstrømsnet i Bindslev var oprindeligt et 3-leder system med en + 220V-leder, en fælles nulleder samt en -220V-leder. Yderspændingen var således 440V.
Forbrugerne var opdelt i en halvdel, der var forbundet til +220V og nul, og en halvdel, der var forbundet til -220V og nul. Hvis belastningen var uens på de to halvdele kunne spændingen blive uens således at f.eks. +220V blev til +250V og -220V blev til -190V. Resultatet var at nogle forbrugere fik overspænding, andre underspænding. Enten sprang pærerne eller også lyste de for svagt. Problemet blev formentlig mere udtalt efter at ensretteren blev installeret idet dette system (så vidt vides) ikke kunne styre nullederen og kun regulerede på yderspændingen.
For at afhjælpe problemet, blev der installeret udligningssystem, som bestod af to sammenkoblede shuntmotorer tilkoblet hver sin nethalvdel. Maskinen, der er tilsluttet den højeste spænding, kører som motor, den anden maskine kører som dynamo. Ved at ”krydsmagnetisere” opnås en endnu bedre kobling mellem de to nethalvdele.


Udligningssystem og principdiagram
Produktion
Efter genstarten af Bindslev Gl. Elværk ved årsskiftet 2003/2004 har produktionen været:

Årsproduktion for Bindslev Gl. Elværk 2004-2021
Hvor meget energi indeholder vandet?
Tyngdekraften er på 1 m3 vand 9820N d.v.s. ca. 10000N. Ved Bindslev Gl. Elværk er faldhøjden ca. 3 m. Hvis der hvert sekund falder 1 m3 vand 3 m er den frigivne energi 30000 Nm hvert sekund. D.v.s at effekten er 30000Nm/s = 30000 W = 30 kW. Hvis den afgivne elektriske effekt på et givet tidspunkt er 30kW og værkets virkningsgrad er 60% er vandforbruget 1/0,6= 1,7m3 pr sekund.